Чура Николай Иосифович
ОСОБЕННОСТИ ПИТАНИЯ СИСТЕМ ВИДЕОНАБЛЮДЕНИЯ
Основой любой системы охранного видеонаблюдения являются видеокамеры. Возможность реализации их характеристик, устойчивость и надежность работы во многом определяют параметры и работоспособность всей системы в целом. Тем более, что видеокамеры, как правило, расположены в различных, зачастую неблагоприятных климатических условиях, на самом разном и достаточно большом расстоянии от остальных устройств.
В данной статье мы не будем рассматривать телекамеры с питанием непосредственно от промышленной сети. В подобных камерах качество питающего напряжения обеспечивается самим производителем телекамеры. Взаимовлияние камер через цепи питания сведено к минимуму. В соединительных линиях протекают только токи видеосигналов и при правильной разводке потери и взаимные помехи минимальны.
При всех достоинствах вышеупомянутой структуры достаточно распространены системы с питанием телекамер постоянным током. По всей видимости, это обусловлено некоторой экономией за счет меньшего числа используемых источников питания, меньшими габаритами и массой телекамер, электробезопасностью системы, а также простотой обеспечения единого контроля за питанием всей системы и ее относительной автономностью.
Питание от промышленной сети не имеет альтернатив для наружных телекамер в гермокожухах с подогревом при их большом энергопотреблении и на расстояниях более 100 – 150 метров. Однако ввиду минимизации размеров современных телекамер и уменьшения энергозатрат на подогрев, а также все большего распространения миниатюрных герметичных телекамер без специального подогрева с расширенным диапазоном рабочих температур применение сетевого питания часто становится не оптимальным.
Современная видеокамера является достаточно экономичным устройством. Наиболее распространенные в настоящее время видеокамеры с ПЗС-матрицей 1/3 дюйма имеют типовое потребление не более 100 – 120 мА при напряжении 12 В постоянного тока. Видеокамеры цветного изображения или высокого разрешения имеют несколько большие токи потребления, но не превышающие 200 – 250 мА. Диапазон рабочих напряжений у камер от различных производителей составляет от ± 10 до ± 30% от номинального значения.
Наличие внутренних стабилизаторов и преобразователей напряжения обеспечивает относительно малую чувствительность современной телекамеры к стабильности питающего напряжения. Несмотря на это, надо избегать соблазна использовать дешевые “адаптеры” и выпрямители. В них используются низкокачественные трансформаторы с малым сечением и посредственным качеством магнитопровода. Из соображений экономии число витков первичной обмотки минимально. Это приводит к насыщению сердечника, росту поля рассеяния, искажению синусоидальной формы тока и напряжения. Рост внутреннего сопротивления существенно увеличивает отношение выходного напряжения на холостом ходу и при номинальной нагрузке. Вместо 1,4 это отношение может достигать 2 – 2,5. При отсутствии согласования нагрузочной способности с потреблением возможен выход из строя видеокамеры вследствие повышенного напряжения питания.
Для питания видеокамер наиболее оптимально использование стабилизированных источников питания. Кроме постоянства напряжения даже простейший источник на основе типового интегрального стабилизатора за счет малого выходного импеданса обеспечивает, как минимум, отсутствие взаимовлияния видеокамер, подключенных к нему. Однако это относится только к правильно спроектированному прибору.
В настоящее время, с выходом на рынок огромного числа производителей, которые не всегда достаточно ответственны и компетентны, нередко можно встретить источники питания, стабилизированные только по названию. Типовые недостатки подобных изделий:
- перегрев при номинальной нагрузке и максимальном напряжении сети;
- отсутствие стабилизации при номинальной нагрузке и минимальном напряжении сети;
- паразитная ВЧ- генерация при выше указанных режимах.
Причиной этих недостатков являются:
- использование низкокачественных трансформаторов;
- недостаточный теплоотвод для интегрального стабилизатора;
- недостаточное напряжение на входе стабилизатора;
- отсутствие блокирующих ВЧ-конденсаторов на входе и выходе стабилизатора;
- малая емкость конденсаторов фильтра на входе стабилизатора.
Если в собранной системе в видеосигналах просматриваются перекрестные помехи от соседних камер или вещательных ТВ-станций, а изображение постоянно искажается, целесообразно проверить питающее напряжение с помощью осциллографа. Амплитуда пульсаций и шума не должна превышать 20 – 40 мВ. В шумовой дорожке не должно быть регулярных составляющих кроме первой и второй гармоник частоты сети. На рис 1. представлена эпюра выходного напряжения источника питания с недостаточной емкостью фильтра и трансформатором работающим в режиме насыщения. На рис.2 – с недостаточной емкостью фильтра и малым входным напряжением для стабилизатора. Рис.3 демонстрирует возбуждение стабилизатора на частоте 1,8 МГц в моменты достижения напряжения стабилизации.

Рис. 1.

Рис. 2.

Рис. 3.
Если осциллографический контроль осуществить нельзя, возможна качественная оценка характера шума источника питания на слух. Для этого можно воспользоваться головными телефонами (наушниками) от любой бытовой электроники. Выходное напряжение необходимо подключать на телефоны через разделительный конденсатор с емкостью порядка 1 – 10 мкф и рабочим напряжением не ниже 25 В. О проблемах с устойчивостью стабилизатора говорит модуляционный характер шума, “зудящие составляющие”, посвистывание в высокочастотной области звукового диапазона, сигналы от вещательных ТВ- и радиостанций. В крайнем случае, можно произвести пробную замену на источник другого производителя.
Конструкция источника питания должна предполагать эффективный теплоотвод мощности на менее Р = 10x Iмакс. из расчета, что на стабилизирующем элементе падает до 10 В. При наличии металлического корпуса ни один из полюсов источника не должен быть с ним соединен, и необходимо наличие отдельной клеммы для заземления.
В настоящее время все большее распространение находят источники питания с импульсными преобразователями напряжения. Как правило, в них используются преобразователи с частотой следования импульсов до 100 кГц, а в некоторых моделях и выше. Для регулировки и стабилизации выходного напряжения применяется изменение скважности импульсов при постоянной или переменной частоте следования. Эти источники имеют очень широкий диапазон входных напряжений, высокую эффективность и удельную мощность.
Вместе с тем, принцип действия преобразователей обуславливает наличие широкополосных электромагнитных полей, пульсаций тока и напряжения во входных и выходных цепях. Спектр этих помех может простираться до десятков мегагерц. Причем при регулировке и в процессе стабилизации напряжения частота и величина составляющих спектра помех и пульсаций изменяются. Пульсации на выходе таких источников имеют вид очень коротких (менее мкс) импульсов большой амплитуды и переменной скважности. Причем чем более эффективный преобразователь, т.е. чем выше частота и меньше время переключения, тем шире спектр пульсаций и помех. Нормировка пульсаций по среднеквадратическому значению, принятая в классических сетевых источниках питания в данном случае дает существенно заниженные значения и совершенно неприменима.
При неудачной конструкции, плохой экранировке и недостаточной фильтрации входного и выходного напряжений источник питания с преобразованием может явиться причиной прямых и перекрестных помех в системе видеонаблюдения. Кардинальным решением этих проблем могли бы стать источники с резонансными синусоидальными преобразователями, однако они еще мало распространены.
У типовой современной телекамеры размах пульсаций составляющих видеосигнала в цепи питания не превышают 50 – 80 мкА. Это позволяет использовать один стабилизированный источник для питания до 5 – 7 видеокамер и добиться существенной экономии средств. При этом необходимо выполнить ряд условий при разводке питающих линий:
- каждая камера должна подключаться к источнику отдельными проводами;
- недопустимо использовать для подачи питания оплетки сигнального кабеля, особенно для линий длиной более 25 – 30 м;
- при использовании общей шины питания, её сечение должно быть увеличено пропорционально суммарному току потребления, а у каждой камеры установлен хотя бы простейший RC-фильтр с t і 10 мс;
- соединение питающего провода отрицательного полюса с общим выводом должно осуществляться только у самой камеры;
- сечение проводов должно выбираться из расчета, что с учетом падения напряжения на них при минимальной окружающей температуре, питающее напряжение на телекамере не выйдет за пределы рабочего диапазона.
Естественно, что чем более протяженная и разветвленная создается система, тем более жестко должны выполняться эти требования.
Крайне нежелательно, а в некоторых случаях и недопустимо соединение общего вывода видеокамеры с металлоконструкциями на месте её монтажа, особенно для протяженных систем. К тому же во многих видеокамерах, и даже в исполнении для наружной установки, общий сигнальный и питающий вывод конструктивно соединен с корпусом. Такое соединение может привести к появлению в цепях системы видеонаблюдения токов промышленной частоты, способных вывести из строя оборудование. Причиной этих токов является разность потенциалов между оборудованием, когда вместо качественного заземления использовано “зануление” или суррогатное заземление на теплосети, водопровод и другие металлоконструкции. В этих случаях целесообразна электрическая изоляция телекамеры от монтажных конструкций.
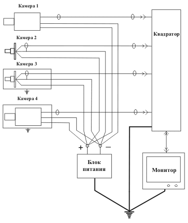
На корпусах, шасси и общих шинах оборудования, используемого в системах видеонаблюдения и питающегося от промышленной сети, как правило, присутствует тот или иной наведенный потенциал промышленной частоты. Причиной этого являются емкостные и резистивные утечки в блоках питания этих устройств, наведенные потенциалы от внешних электромагнитных полей, случайные контакты с инженерными или строительными конструкциями и т.д. Для исключения возможности пробоя входов и выходов видеосигналов, перед соединением устройств в систему целесообразно проверить выравнивающие токи между общими выводами устройств, включенных в питающую сеть. Для измерений можно использовать любой измеритель тока промышленной частоты с верхним пределом 50 – 100 мА. Величина тока не должна превышать 10 – 20 мА. Минимизация этого тока обеспечивается фазировкой сетевых вилок. Кардинальным решением этого вопроса является хорошее индивидуальное заземление корпусов оборудования. На рис. 4 приведена примерная монтажная схема 4-х камерной системы с общим источником питания. Использованы телекамеры различного конструктивного исполнения: бекорпусная, корпусная со сменным объективом и аналогичные модели в термобоксах.

Рис. 4.
Рассматривая особенности разводки питающих и сигнальных цепей в системах видеонаблюдения необходимо акцентировать внимание на надежность контактных соединений. К сожалению, весьма распространенные скрутки проводов, изолированные липкой лентой и даже крепление под винт или обжим (без существенной деформации и холодной сварки) можно считать относительно надежным способом соединения только в сухих помещениях и во влагозащищенных объемах. В других условиях только пайка и сварка может стать гарантией от спонтанных флуктуаций сигнала или питающего напряжения после нескольких месяцев эксплуатации системы.
В заключении можно сделать вывод, что соблюдение таких простых и очевидных на первый взгляд рекомендаций по электропитанию телекамер может стать решающим фактором для долгого и надежного функционирования систем видеонаблюдения.
Статья опубликована на сайте: 12.04.2006

